|
产品名称:ZLF自力式平衡阀
产品型号:ZLF
产品口径:DN15~DN350
产品压力:1.6MPa
产品材质:球墨铸铁、铸钢、不锈钢
产品口径:DN15~DN350
产品压力:1.6MPa
产品材质:球墨铸铁、铸钢、不锈钢
产品名称:自力式平衡阀 产品型号:ZLF 公称通径:DN15~DN350功能作用:平衡流量公称压力:1.6MPa连接方式:法兰式、内螺纹适用温度:-0ºC~+80ºC驱动方式:自力
产品说明ZLF自力式平衡阀是一种利用介质本身的压力变化来进行自我调控,从而保持流经该被控系统流量不变的阀门,ZLF自立式平衡阀具有流量指示,可在线调节,适用于供热及空调系统等非腐蚀性介质的流量控制。运行前一次性测试调节,可使系统流量自动恒定在预先设置的设定值。ZLF自力式平衡阀流量调节准确,操作简单,运作平稳,性能可靠,使用寿命长。产品特点1、可按设计要求或实际要求设定流量,自动消除系统的压差波动,保持流量不变。2、克服系统冷热不均现象,提高供冷水(热水)的质量。 3、彻底解决近端压差大,远差压差的矛盾。 4、减少系统循环水量,减低系统阻力。 5、减少设计工作量,不需对管道进行繁琐的水力平衡计算,管网设计简单,维修方便,节约造价。 6、采用先进的技术膜片,理论误差为零,且可承受0.8的压差,整圈流量显示均为测试值。 零部件材料
性能规范
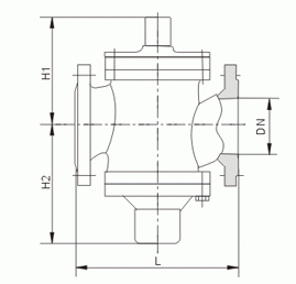
外形结构图![]() 主要外形尺寸
安装示意图![]()
|



关注官方微信