IMPA手册 编号754602铸铁蝴蝶阀系列

| IMPA编号: | 754602 |
|---|---|
| 产品名称: | 铸铁蝴蝶阀系列 |
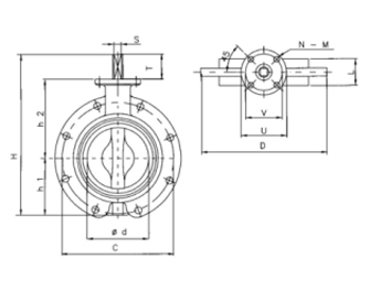
| 英文名称: | DIN cast iron butterfly valves Series 56/53/54 |
| 产品规格: | VALVE BUTTERFLY CAST IRON DIN_FLANGED SHORT #53 PN16 65MM |
| 品牌/产地: | 中国 |
浦首订货须知:(国家标准)
一、A:产品名称、型号、公称通径B:介质及温度、压力范围C:是否有附件、交货期、特殊要求等以便我们的为您正确选型。
二、若已经由设计单位选定我公司的阀门型号,请您根据阀门参数直接与我们销售中心订购。
三、当您使用的场合非常重要或环境比较复杂时,请您提供设计图纸和详细参数,我们的工程师专家会专心为您审核与分析。我们可以为您提供专业的解决方案,包括设计、定做、成套、运行、服务。我们一直致力于阀门行业领域的领导者,为您提供最新的阀门知识、最好的服务、最佳的技术顾问。感谢您访问我们的网站【www.shpushou.com】,如有任何疑问,您可以致电给我们,我们一定会尽心尽力为您提供优质的服务。本厂专业提供球阀、蝶阀、闸阀、截止阀、止回阀、减压阀、安全阀、船用阀门、油田阀门、水利控制阀门等各类阀门。

关注官方微信