|
产品名称:Q944F,Q945F电动三通球阀
产品型号:Q944F/Q945F
产品口径:DN15~DN300
产品压力:1.6Mpa~6.4Mpa
产品材质:铸钢、不锈钢
产品口径:DN15~DN300
产品压力:1.6Mpa~6.4Mpa
产品材质:铸钢、不锈钢
产品名称:电动三通球阀 产品型号:Q944F/Q945F 公称通径:DN15~DN300结构形式:球形公称压力:1.6Mpa~6.4Mpa连接方式:法兰、内螺纹适用温度:≤450ºC驱
产品说明Q944F/Q945F电动三通球阀是由角行程系列智能式执行机构和三通球阀组成,是一种旋转类切断调节阀门,电动三通球阀具有关闭严密,结构紧凑,重量轻,维修方便等优点。电动三通调节球阀广泛用于气体、液体、蒸汽、油品等腐蚀性介质的管道自动化控制中。两阀座密封电动三通球阀具有结构紧凑、外型美观、密封性能好。电动三通球阀能实现对管道中介质流向的切换。也能使相互垂直的两个通道连通或关闭。四阀座密封三通球阀具有造型美观、结构紧凑合理。电动三通球阀不仅可实现介质流向的切换,也可使三个通道相互连通,现时也可关闭任一通道,使另外两个通道连通,灵活控制管路中介质的合流或分流。故称之为电动三通换向球阀。主要技术参数及性能
执行器技术参数
主要零件材料
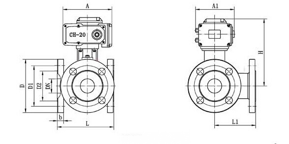
控制方式电动三通球阀分L型和T型,介质流通方向见下图。L型电动三通球阀适用于介质流向的切换,能使相互垂直的两个通道连通:T型电动三通球阀适用于介质的分流、合流或流向 切换,T型孔道可以使三个通道互相连通或使其中两个通道连通,电动三通球阀一般采用三个阀座结构,亦可根据用户要求采用四阀座结构。T型流向示意图![]() L型流向示意图![]() 外形尺寸图![]() 主要外形尺寸
PN1.6MPa法兰连接尺寸
PN2.5MPa法兰连接尺寸
|
|||||||||||||||||||||||||||||||||||||||||||||||||||||||||||||||||||||||||||||||||||||||||||||||||||||||||||||||||||||||||||||||||||||||||||||||||||||||||||||||||||||||||||||||||||||||||||||||||||||||||||||||||||||||||||||||||||||||||||||||||||||||||||||||||||||||||||||||||||||||||||||||||||||||||||||||||||||||||||||||||||||||||||||||||||||||||||||||||||||||||||||||||||||||||||||||||||||||||||||||||||||||||||||||||||||||||||||||||||||||||||||||||||||||||||||||||||||||||||||||||||||||||||||||||||||||||||||||||||||||||||||||||||||||||||||||||||||||||||||||||||||||||||||||||||||||




关注官方微信