|
产品名称:PQ340H,PQ340Y硬密封偏心半球阀
产品型号:PQ340H、PQ340Y
产品口径:DN15~DN2200
产品压力:1.6Mpa~32.0Mpa
产品材质:碳钢、铸钢、WCB、不锈钢
产品口径:DN15~DN2200
产品压力:1.6Mpa~32.0Mpa
产品材质:碳钢、铸钢、WCB、不锈钢
产品名称:硬密封偏心半球阀 产品型号:PQ340H、PQ340Y 公称通径:DN15~DN2200结构形式:球形公称压力:1.6Mpa~32.0Mpa连接方式:法兰适用温度:-20ºC~+1
产品说明PQ340H/Y硬密封偏心半球阀利用偏心阀体,偏心球体和阀座,阀杆作旋转运动时在共同轨迹自动定心,关闭过程中越关越紧,完全达到良好的密封目的。阀门的球体和阀座完全脱离,消除了密封圈的磨损,克服了传统球体阀座与球体密封面始终磨损的问题,非金属弹性材料被嵌入金属座中,阀座金属面受到良好的保护。本产品特别适用于钢铁业,铝业,纤维,微小固体颗粒,纸浆,煤灰,石油气等介质。结构特点1. 阀座设外台阶与阀体内台阶相配合的结构,防止了球体与阀座发生卡阻或脱离现象。2. 利用偏心阀体,偏心球体和阀座,阀杆作旋转运气时,在共同轨迹自动定心,关闭过程中越关越紧,完全达到良好密封的目的,所以偏心半球阀密性能安全可靠;阀门启闭时,球体与阀座完全脱开,消除了密封副的磨损,克服了传统球阀阀座与球体密封面始终磨损的问题。 3. 非金属弹性材料被 于金属座中,阀座金属密封面受到良好的保护。 4. 半球切口的球体与阀座之间有剪切作用,特适用于含 维,微小固体颗粒,浆等介质。 5. 全开时流通能力大,压力损失小,且介质不会沉积在阀体中腔内。 6. 本产品具有精确的调节和可靠定位功能,流量特性为近似百分比,可调范围大,最大调比为100;1。 执行标准设计制造:GB12237-89法兰连接:GB/T17241.6998、GB/T9115(钢制) 结构长度:GB12221-89 压力试验:GB/T13927的规定 性能参数
材料明细图![]() 材料明细表
主要零件材料
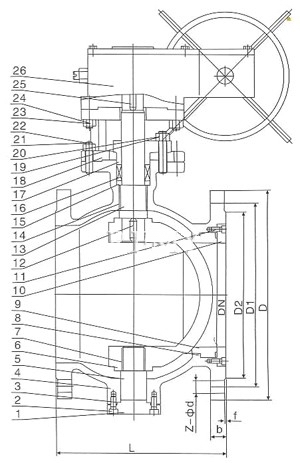
外形结构图![]() 主要连接尺寸1.0MPa
主要连接尺寸1.6MPa
主要连接尺寸2.5 MPa
主要连接尺寸4.0 MPa
|
|||||||||||||||||||||||||||||||||||||||||||||||||||||||||||||||||||||||||||||||||||||||||||||||||||||||||||||||||||||||||||||||||||||||||||||||||||||||||||||||||||||||||||||||||||||||||||||||||||||||||||||||||||||||||||||||||||||||||||||||||||||||||||||||||||||||||||||||||||||||||||||||||||||||||||||||||||||||||||||||||||||||||||||||||||||||||||||||||||||||||||||||||||||||||||||||||||||||||||||||||||||||||||||||||||||||||||||||||||||||||||||||||||||||||||||||||||||||||||||||||||||||||||||||||||||||||||||||||||||||||||||||||||||||||||||||||||||||||||||||||||||||||||||||||||||||||||||||||||||||||||||||||||||||||||||||||||||||||||||||||||||||||||||||||||||||||||||||||||||||||||||||||||||||||||||||||||||||||||||||||||||||||||||||||||||||||||||||||||||||||||||||||||||||||||||||||||||||||||||||||||||||||||||||||||||||||||||||||||||||||||||||||||||||||||||||||||||||||||||||||||||||||||||||||||||||||||||||||||||||||||||||||||||||||||||||||||||||||||||||||||||||||||||||||||||||||||||||||||||||



关注官方微信