|
产品名称:SD641X,SD643H气动伸缩蝶阀
产品型号:SD641X/SD643H
产品口径:DN40~DN2000
产品压力:0.6MPa~1.0MPa~1.6MPa
产品材质:铸铁、球墨铸铁、铸钢、不锈钢
产品口径:DN40~DN2000
产品压力:0.6MPa~1.0MPa~1.6MPa
产品材质:铸铁、球墨铸铁、铸钢、不锈钢
产品名称:气动伸缩蝶阀 产品型号:SD641X/SD643H 公称通径:DN40~DN2000阀座密封:橡胶密封或金属硬密封公称压力:0.6MPa~1.0MPa~1.6MPa连接方式:法兰式适用温度:
产品说明SD641X/SD643H气动伸缩蝶阀具有自动补偿管道热胀冷缩方便装卸的功能,使用于温度在425℃以下,公称压力在1.6MPa以下的石油、化工、电力、造纸、给排水和市政建设等工业管道上作调节流量和载断流体的最佳装置。产品特点1、结构独特,设计灵活,重量轻,省力,启闭迅速。2、伸缩蝶阀不仅能补偿管道温差缩产生的热胀冷缩的功能,还能为维修阀门安装更换提供方便。 3、密封部位可调节更换,密封性能可靠。 性能参数
技术参数
执行器参数
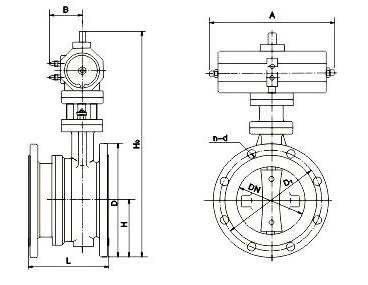
外形结构图![]() 主要外形尺寸
|
||||||||||||||||||||||||||||||||||||||||||||||||||||||||||||||||||||||||||||||||||||||||||||||||||||||||||||||||||||||||||||||||||||||||||||||||||||||||||||||||||||||||||||||||||||||||||||||||||||||||||||||||||||||||||||||||||||||||||||||||||||||||||||||||||||||||||||||||||||||||||||||||||||||||||||||||||||||||||||||||||||||||||||||||||||||||||||||||||||||||||||||||||||||||||||||||||||||||||||||||||||||||||||||||||||||||||||||||||||||||||||||||||||||||||||||||||||||||||||||||||||||||||||||||||||||||||||||||||||||||||||||||||||||||||||||||||||||||||||||||||||||||||||||||||||||||||||||


关注官方微信