|
产品名称:SD341X,SD343H管网伸缩蝶阀
产品型号:SD341X/SD343H
产品口径:DN40~DN1200
产品压力:0.6MPa~1.0MPa~1.6MPa
产品材质:铸铁、球墨铸铁、铸钢、不锈钢
产品口径:DN40~DN1200
产品压力:0.6MPa~1.0MPa~1.6MPa
产品材质:铸铁、球墨铸铁、铸钢、不锈钢
产品名称:管网伸缩蝶阀 产品型号:SD341X/SD343H 公称通径:DN40~DN1200阀座密封:橡胶密封或金属硬密封公称压力:0.6MPa~1.0MPa~1.6MPa连接方式:法兰式适用温度:
产品说明SD341X/SD343H管网伸缩蝶阀具有自动补偿管道热胀冷缩方便装卸的功能,使用于温度在425℃以下,公称压力在1.6MPa以下的石油、化工、电力、造纸、给排水和市政建设等工业管道上作调节流量和载断流体的最佳装置。产品特点1、结构独特,设计灵活,重量轻,省力,启闭迅速。2、伸缩蝶阀不仅能补偿管道温差缩产生的热胀冷缩的功能,还能为维修阀门安装更换提供方便。 3、密封部位可调节更换,密封性能可靠。 性能参数
技术参数
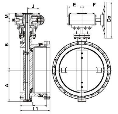
外形结构图![]() 主要外形尺寸
安装注意事项1、安装前必须平放,切勿随意磕碰,运行时严禁将支架卸掉。2、出厂时结构长度为最小长度,安装时,拉至安装长度(即设计长度)。 3、当管道间长度超过伸缩阀安装长度时,请调整管道间隔,切勿强行拉伸缩蝶阀,以免损坏蝶阀。 4、可在任意安装,做温度补偿用时,在管道安装完成后,需沿管道轴线方向两端加支架,防止伸缩阀伸缩管拉出。
|
|||||||||||||||||||||||||||||||||||||||||||||||||||||||||||||||||||||||||||||||||||||||||||||||||||||||||||||||||||||||||||||||||||||||||||||||||||||||||||||||||||||||||||||||||||||||||||||||||||||||||||||||||||||||||||||||||||||||||||||||||||||||||||||||||||||||||||||||||||||||||||||||||||||||||||||||||||||||||||||||||||||||||||||||||||||


关注官方微信