|
产品名称:D371X涡轮传动对夹式蝶阀
产品型号:D371X
产品口径:DN50~DN1000
产品压力:1.0Mpa~1.6MPa
产品材质:铸铁、球墨铸铁、铸钢、不锈钢
产品口径:DN50~DN1000
产品压力:1.0Mpa~1.6MPa
产品材质:铸铁、球墨铸铁、铸钢、不锈钢
产品名称:涡轮传动对夹式蝶阀 产品型号:D371X 公称通径:DN50~DN1000阀座密封:橡胶、四氟公称压力:1.0Mpa~1.6MPa连接方式:对夹、法兰适用温度:-20ºC~+150
产品说明D371X涡轮传动对夹式蝶阀该产品由橡胶或四氟密封蝶阀和碳钢或不锈钢阀板、阀杆构成。适用于温度≤80~120℃如食品、医药、化工、石油、电力、轻纺、造纸等给排水、气体管道上作调节流量和截流介质的作用。产品特点1、密封件可以更换,密封性能可靠达到双向密封零泄漏。2、操力矩小,操作方便,省力灵巧。 3、可以任何位置安装,维修方便。 4、设计新颖、合理、结构独特,重量轻,启闭迅速。 5、密封材料耐老化、耐弱腐蚀,使用寿命长等特点。 主要技术参数
主要零件材料
密封材料选用和适用温度
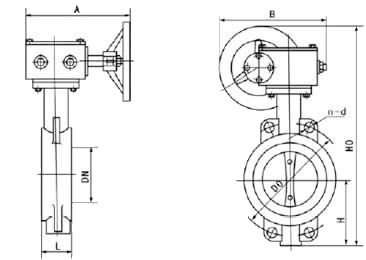
外形结构图![]() 主要外形连接尺寸
|
|||||||||||||||||||||||||||||||||||||||||||||||||||||||||||||||||||||||||||||||||||||||||||||||||||||||||||||||||||||||||||||||||||||||||||||||||||||||||||||||||||||||||||||||||||||||||||||||||||||||||||||||||||||||||||||||||||||||||||||||||||||||||||||||||||||||||||||||||||||||||||||||||||||||||||||||||||||||||||||||||||||||||||||||||||||||||||||||||||||||||||||||||||||||


关注官方微信