|
产品名称:GID电动真空蝶阀
产品型号:GID
产品口径:DN40~DN1200
产品压力:2x105~1.3×10-5Pa
产品材质:铸钢、不锈钢、316、316L
产品口径:DN40~DN1200
产品压力:2x105~1.3×10-5Pa
产品材质:铸钢、不锈钢、316、316L
产品名称:电动真空蝶阀 产品型号:GID 公称通径:DN40~DN1200阀座密封:氟橡胶、丁晴橡胶、金属座公称压力:2x105~1.3×10-5Pa连接方式:对夹式适用温度:-30&or
产品说明GID电动真空蝶阀采用回转型电动、电子调节式阀门驱动装置,可以通过外接电源的切换(用手动转位开关或电脑控制)或外部输入信号,来实现阀门开、关或中间位置的控制,从而达到接通或切断真空管路中气流的目的。用于接通或切断真空管路中的气流。阀体的阀板采用夹紧结构,把阀板的密封圈夹紧,起到更好的密封作用。除了能用在真空状态下,也能用在低压状态下使用。技术性能
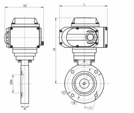
主要零件材料阀体、阀盖、阀杆:碳钢或不锈钢密封件:丁腈橡胶、氟橡胶 外形结构图![]() 主要外形尺寸
|


关注官方微信