|
产品名称:D671F46气动衬氟蝶阀
产品型号:D671F46
产品口径:DN40~DN1200
产品压力:1.0Mpa~1.6MPa
产品材质:铸铁、铸钢、不锈钢
产品口径:DN40~DN1200
产品压力:1.0Mpa~1.6MPa
产品材质:铸铁、铸钢、不锈钢
产品名称:气动衬氟蝶阀 产品型号:D671F46 公称通径:DN40~DN1200阀座密封:F4、F46公称压力:1.0Mpa~1.6MPa连接方式:对夹式、法兰式适用温度:-25ºC~+1
产品说明D671F46气动衬氟蝶阀广泛用于防腐管道系统上。主要用以实现阀门的开启、关闭与调节。全衬聚四氟乙烯(F4)、聚三氟氯乙烯(F3)和聚全氟乙丙烯(F46)氟塑料衬里阀,具有耐腐蚀、无泄漏、寿命长等优点。 适用于浓硫酸、盐酸、硝酸、氢氟酸、王水、各种有机酸、强酸、氧化性介质或高温烯硫酸、高温浓醋酸、酸碱交替及多种有机溶剂和其它强腐蚀性介质。产品特点1、中线蝶阀为整个蝶板与阀座在360°圆周内同心(中线),具有双向密封功能,压力,流量可自由调节;2、四级加载弹性密封,绝对保证了阀门内、外的零泄漏; a、轴头、蝶板园周连接处的特殊过渡曲线与阀座的合理过盈; b、轴头端面采用弹性O型圈和轴肩处刚性垫圈、弹性橡胶垫组合; c、轴的径向采用O型圈与金属垫的组合; d、阀座镶在有弹性条的阀体的槽内; 3、采用可调弹性弹子定位。定位准确,结构简单。 应用标准
性能规范
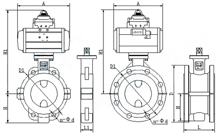
外形结构图![]() 主要外形尺寸
|
|||||||||||||||||||||||||||||||||||||||||||||||||||||||||||||||||||||||||||||||||||||||||||||||||||||||||||||||||||||||||||||||||||||||||||||||||||||||||||||||||||||||||||||||||||||||||||||||||||||||||||||||||||||||||||||||||||||||||||||||||||||||||||||||||||||||||||||||||||||||||||||||||||||||||||||||||||


关注官方微信