|
产品名称:PVC气动蝶阀
产品型号:D971X-10S
产品口径:DN40~DN300
产品压力:0.6Mpa~1.6MPa
产品材质:PVC、UPVC、CPVC、PPR、ABS、PVDF
产品口径:DN40~DN300
产品压力:0.6Mpa~1.6MPa
产品材质:PVC、UPVC、CPVC、PPR、ABS、PVDF
产品名称:PVC气动蝶阀 产品型号:D971X-10S 公称通径:DN40~DN300阀座密封:橡胶密封或者四氟密封公称压力:0.6Mpa~1.6MPa连接方式:对夹式适用温度:-25ºC~
产品说明PVC气动蝶阀适用于带腐蚀性介质的输送过程的截流,根据不同材质温度-14℃~100℃、-40℃~140℃。耐腐性能优异,延长使用寿命。转动灵活、使用方便。泄漏点少,强度高,装拆方便。含硬颗粒液体容易使球表面划伤。全部零件采用FRPP、PVDF、CPVC、UPVC、PVC、RPP 、ABS注塑件组装成型,耐腐蚀性能优良。技术参数
性能规范
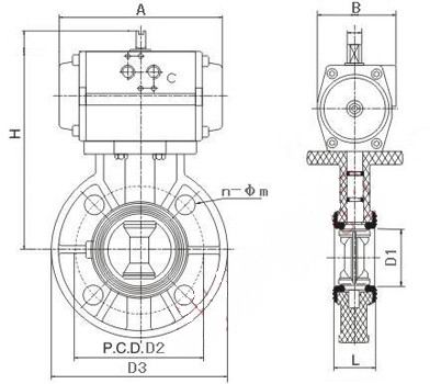
外形结构图![]() 外形连接尺寸
|
||||||||||||||||||||||||||||||||||||||||||||||||||||||||||||||||||||||||||||||||||||||||||||||||||||||||||||||||||||||||||||||||||||||||||||||||||||||||||||||||||||||||||||||||||||||||||||||||||||||||


关注官方微信