|
产品名称:D341X手动法兰软密封蝶阀
产品型号:D341X
产品口径:DN50~DN1000
产品压力:1.0Mpa~1.6MPa
产品材质:铸铁、球墨铸铁、铸钢、不锈钢
产品口径:DN50~DN1000
产品压力:1.0Mpa~1.6MPa
产品材质:铸铁、球墨铸铁、铸钢、不锈钢
产品名称:手动法兰软密封蝶阀 产品型号:D341X 公称通径:DN50~DN1000阀座密封:丁青橡胶、聚四氟乙烯公称压力:1.0Mpa~1.6MPa连接方式:对夹、法兰适用温度:-20ºC
产品说明D341X手动法兰软密封蝶阀该产品由橡胶密封蝶阀和碳钢或不锈钢阀板、阀杆构成。适用于温度≤80~120℃如食品、医药、化工、石油、电力、轻纺、造纸等给排水、气体管道上作调节流量和截流介质的作用。产品特点1、设计新颖、合理、结构独特,重量轻,启闭迅速。2、操力矩小,操作方便,省力灵巧。 3、可以任何位置安装,维修方便。 4、密封件可以更换,密封性能可靠达到双向密封零泄漏。 5、密封材料耐老化、耐弱腐蚀,使用寿命长等特点。 制造规范设计标准:GB/T2238-1989法兰连接尺寸:GB/T9113.1-2000;GB/T9115.1-2000;JB78 结构长度:GB/T12221-1989 压力试验:GB/T13927-1992;JB/T9092-1999 技术参数
密封材料选用和适用温度
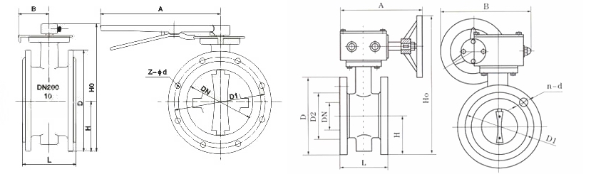
外形结构图![]() D341X主要外形尺寸0.6MPa
D341X主要外形尺寸1.0MPa
D341X主要外形尺寸1.6MPa
|
||||||||||||||||||||||||||||||||||||||||||||||||||||||||||||||||||||||||||||||||||||||||||||||||||||||||||||||||||||||||||||||||||||||||||||||||||||||||||||||||||||||||||||||||||||||||||||||||||||||||||||||||||||||||||||||||||||||||||||||||||||||||||||||||||||||||||||||||||||||||||||||||||||||||||||||||||||||||||||||||||||||||||||||||||||||||||||||||||||||||||||||||||||||||||||||||||||||||||||||||||||||||||||||||||||||||||||||||||||||||||||||||||||||||||||||||||||||||||||||||||||||||||||||||||||||||||||||||||||||||||||||||||||||||||||||||||||||||||||||||||||||||||||||||||||||||||||||||||||||||||||||||||||||||||||||||||||||||||||||||||||||||||||||||||||||||||||||||||||||||||||||||||||||||||||||||||||||||||||||||||||||||||||||||||||||||||||||||||||||||||||||||||||||||||||||||||||||||||||||||||||||||||||||||||||||||||||||||||||||||||||||||||||||||||||||||||||||||||||||||||||||||||||||||||||||||||||||||||||||||||||||||||||||


关注官方微信