|
产品名称:J41H手动截止阀
产品型号:J41H/W
产品口径:DN15~DN300
产品压力:1.6MPa~16.0MPa
产品材质:WCB、碳钢、铬钼钒钢、不锈钢
产品口径:DN15~DN300
产品压力:1.6MPa~16.0MPa
产品材质:WCB、碳钢、铬钼钒钢、不锈钢
产品名称:手动截止阀 产品型号:J41H/W 公称通径:DN15~DN300结构形式:截止式公称压力:1.6MPa~16.0MPa连接方式:法兰、焊接、螺纹适用温度:-29ºC~+550&o
产品说明J41H手动截止阀的启闭件是圆柱形的阀瓣,密封面呈平面或锥面,阀瓣沿流体的中心线作直线运动。国标截止阀只适用于全开和全关,一般不用来调节流量,定做时允许作调节和节流。公称压力1.6MPa-16.0MPa,工作温度-29~550℃的石油、化工、制药、化肥、电力行业等各种工况的管路上,切断或接通管路介质。驱动方式有手动、齿轮传动、电动、气动等。产品特点1、结构简单,制造和维修比较方便2、工作行程小,启闭时间短 3、密封性好,密封面间磨擦力小,寿命较长 执行标准设计规范:GB/T 12235结构长度:GB/T 12221 法兰连接:JB/T 79 试验与检验:JB/T 9002 产品标识:GB/T 12220 供货规范:JB/T 7928 性能参数
压力试验MPa
主要零件材料及性能
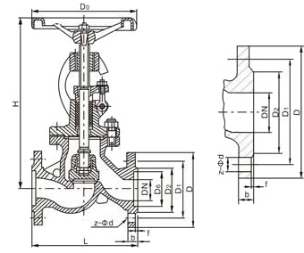
外形结构图![]() PN l.6MPa规格主要尺寸
2.5MPa规格主要尺寸
4.0MPa规格主要尺寸
6.4MPa规格主要尺寸
|
||||||||||||||||||||||||||||||||||||||||||||||||||||||||||||||||||||||||||||||||||||||||||||||||||||||||||||||||||||||||||||||||||||||||||||||||||||||||||||||||||||||||||||||||||||||||||||||||||||||||||||||||||||||||||||||||||||||||||||||||||||||||||||||||||||||||||||||||||||||||||||||||||||||||||||||||||||||||||||||||||||||||||||||||||||||||||||||||||||||||||||||||||||||||||||||||||||||||||||||||||||||||||||||||||||||||||||||||||||||||||||||||||||||||||||||||||||||||||||||||||||||||||||||||||||||||||||||||||||||||||||||||||||||||||||||||||||||||||||||||||||||||||||||||||||||||||||||||||||||||||||||||||||||||||||||||||||||||||||||||||||||||||||||||||||||||||||||||||||||||||||


关注官方微信