|
产品名称:ZJHP,ZJHM气动低温调节阀
产品型号:ZJHP、ZJHM
产品口径:DN20~DN200
产品压力:1.6MPa~6.4MPa
产品材质:铸钢、不锈钢
产品口径:DN20~DN200
产品压力:1.6MPa~6.4MPa
产品材质:铸钢、不锈钢
产品名称:气动低温调节阀 产品型号:ZJHP、ZJHM 公称通径:DN20~DN200结构形式:单座、套筒式、笼式公称压力:1.6MPa~6.4MPa连接方式:法兰、焊接、螺纹适用温度:-29&ord
产品说明ZJHP、ZJHM气动低温调节阀是由多弹簧气动薄膜执行机构和低流阻精小型调节阀阀体组成,多弹簧执行机构高度低、重量轻、装备简便。气动低温调节阀阀体流道呈S流线型,具有结构紧凑、重量轻、动作灵敏、压降损失小、阀容量大、流量特性精确、维护方便等优点,可用于苛刻的工作条件。气动低温调节阀配用电-气阀门定位或气动阀门定位器,可实现对工艺管路流体介质的自动调节控制。气动低温调节阀广泛应用于精确控气体、液体、蒸汽等介质的工艺参数如压力、流量、温度、液位等参数保持在给定值气。ZJHP、ZJHM气动低温调节阀特别适用于允许泄露量小、阀前后压差不大及有一定粘度和含少量纤维介质的场合。阀体
阀内组件
执行机构
气关式(B)- 失气时阀位开(FO);气开式(K)一失气时阀位关(FC) 附件 定位器、空气过滤减压器、保位阀、行程开关、阀位传送器、手轮机构等 性能
额定流量系数Kv、额定行程
分解图(1)![]() 分解图(2)![]() 允许压差
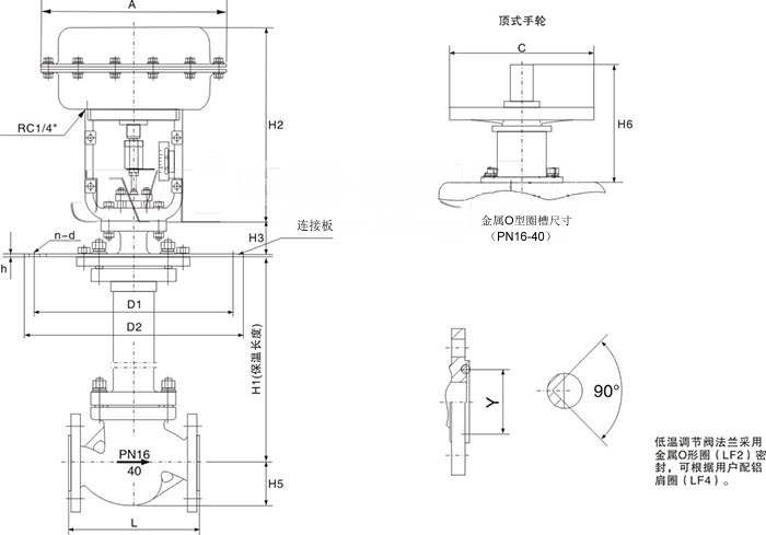
外形结构图![]() 主要外形尺寸
1、表中重量为不带附件标准数据,也可安装侧装式手轮。 2、阀门法兰及法兰端面距可按用户指定标准制造,如:ANSI,JIS,DIN标准。 外形结构图![]() 主要外形尺寸
1、 保温长度以700mm为例,表中重量为PN16数据,也可安装侧装式手轮。 2、阀门法兰及法兰端面距可按用户指定标准制造,如:ANSI,JIS,DIN标准。 外形结构图![]() 主要外形尺寸
1、 表中数据位PN16数据,也可安装侧装式手轮。 2、阀门法兰及法兰端面距可按用户指定标准制造,如:ANSI,JIS,DIN标准。
|
|||||||||||||||||||||||||||||||||||||||||||||||||||||||||||||||||||||||||||||||||||||||||||||||||||||||||||||||||||||||||||||||||||||||||||||||||||||||||||||||||||||||||||||||||||||||||||||||||||||||||||||||||||||||||||||||||||||||||||||||||||||||||||||||||||||||||||||||||||||||||||||||||||||||||||||||||||||||||||||||||||||||||||||||||||||||||||||||||||||||||||||||||||||||||||||||||||||||||||||||||||||||||||||||||||||||||||||||||||||||||||||||||||||||||||||||||||||||||||||||||||||||||||||||||||||||||||||||||||||||||||||||||||||||||||||||||||||||||||||||||||||||||||||||||||||||||||||||||||||||||||||||||||||||||||||||||||||||||||||||||||||||||||||||||||||||||||||||||||||||||||||||||||||||||||||||||||||||||||||||||||||||||||||||||||||||||||||||||||||||||||||||||||||||||||||||||||||||||||||||||||||||||||||||||||||||||||||||||||||||||||||||||||||||||||||||||||||||||||||||||||||||||||||||||||||||||||||||||||||||||||||||||||||||||||||||||||||||||||||||||||||||||||||||||||||||||||||||||||||||






关注官方微信