|  
             
产品名称:JJM8压力表针型阀
            产品型号:JJM8           
产品口径:DN6
产品压力:2.5MPa~16.0MPa
产品材质:铸钢、不锈钢
 
          
 
          产品口径:DN6
产品压力:2.5MPa~16.0MPa
产品材质:铸钢、不锈钢
           产品名称:压力表针型阀 产品型号:JJM8 公称通径:DN6结构形式:锥面或球面密封公称压力:2.5MPa~16.0MPa连接方式:内螺纹适用温度:-40ºC~+540ºC驱动方式          
 
          
              
 产品说明JJM8压力表针型阀是由内螺纹连接,适用于油﹑水﹑气等多种非腐蚀性或腐蚀性介质,适用于-29℃~+440℃ -70℃~-240℃ ≤540℃ ≤570℃。比其他类型的阀门,压力表针型阀具有更好的密封性能和耐受压力的能力,一般用于较小流量,较高压力的气体或者液体介质的密封,最合适与与压力表配合。产品特点1. 制造标准: GB/T12224-2005 JB/T7747-19952. 连接形式: 内螺纹连接(NPT,G,Rc,Rp…) 3. 结构特征: 锥面或球面密封 4. 阀门检验与试验: GB/T13927-1992 5. 公称压力:≤10000Psi 6. 适用工作温度:-29℃~+538℃ 7. 适用介质: 水,油,气等腐蚀性与非腐蚀性介质 8. 公称通径:DN6,DN10,DN15,DN20,DN25… 主要零件材料
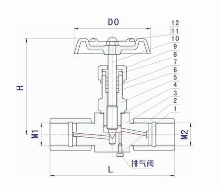
 外形结构图![]() 主要外形尺寸
 
  |  
            
 
               

            关注官方微信