|
产品名称:X47H提升式硬密封旋塞阀
产品型号:X47H
产品口径:DN40~DN450
产品压力:150LB~300LB~600LB~900LB~1500LB
产品材质:铸钢、不锈钢
产品口径:DN40~DN450
产品压力:150LB~300LB~600LB~900LB~1500LB
产品材质:铸钢、不锈钢
产品名称:提升式硬密封旋塞阀 产品型号:X47H 公称通径:DN40~DN450结构形式:圆柱形或圆锥形公称压力:150LB~300LB~600LB~900LB~1500LB连接方式:法兰适用温度:-
产品说明X47H提升式硬密封旋塞阀采用了先提升后启闭的阀门操作方式,大大减少了旋塞阀的启闭力矩,而且不同于传统旋塞阀采用矩形缩径通道,该阀门通常采用圆形通道,使旋塞阀的流体阻力大大减少,金属硬密封提升式硬密封旋塞阀兼有球阀与闸阀的有点,能用于高温、高压工况,大大扩展了旋塞阀的使用范围。结构特点1、提升式硬密封旋塞阀启闭时先提升旋塞,使旋塞与阀座密封面相脱离,然后 90°旋转旋塞,使阀门开启或关闭。由于阀门在启闭过程中旋塞与阀座相脱离,故阀门的启闭非常轻松,而且密封面在开启或关闭过程中不易擦伤,阀门使用寿命长。2、提升式硬密封旋塞阀无论处在开启状态或关闭状态,密封面均受到保护,不受介质冲刷,密封紧密可靠。 3、普通旋塞阀采用矩形流道,且流道面积缩减,有较大的流体阻力损失,而金属硬密封提升式硬密封旋塞阀采用与管道截面积相同的圆形通道,流体阻力最小。 4、提升式硬密封旋塞阀结构紧凑,体积小,与闸阀相比,阀门的高度尺寸大大减小,与截止阀相比,流体阻力大大减小。 5、与普通旋塞阀相比,提升式硬密封旋塞阀适用的压力及温度范围更大。 6、提升式硬密封旋塞阀两侧阀座密封面均可密封,阀门的安装与使用不受介质流向的限制。 7、提升式硬密封旋塞阀关闭时,可通过手轮和阀杆对阀座密封面加压,通过加大密封比压,可使旋塞阀具有更好的密封性能。 8、阀座密封面凸起,便于密封面清洗,密封面上不易积存结晶介质或固体颗粒。 标准规范
性能规范
零部件材料
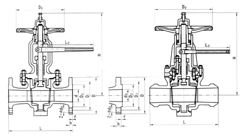
外形结构图![]() 主要外形尺寸150LB
主要外形尺寸300LB
主要外形尺寸600LB
主要外形尺寸900LB
|
|||||||||||||||||||||||||||||||||||||||||||||||||||||||||||||||||||||||||||||||||||||||||||||||||||||||||||||||||||||||||||||||||||||||||||||||||||||||||||||||||||||||||||||||||||||||||||||||||||||||||||||||||||||||||||||||||||||||||||||||||||||||||||||||||||||||||||||||||||||||||||||||||||||||||||||||||||||||||||||||||||||||||||||||||||||||||||||||||||||||||||||||||||||||||||||||||||||||||||||||||||||||||||||||||||||||||||||||||||||||||||||||||||||||||||||||||||||||||||||||||||||||||||||||||||||||||||||||||||||||||||||||||||||||||||||||||||||||||||||||||||||||||||||||||||||||||||||||||||||||||||||||||||||||||||||||||||||||||||||||||||||||||||||||||||||||||||||||||||||||||||||||||||||||||||||||||||||||||||||||||||||||||||||||||||||||||||||||||||||||||||||||||||||||||||||||||||||||||||||||||||||||||||||||||||


关注官方微信