|   | 
产品名称:PQ41F,PQ41M一体式排污球阀
            产品型号:PQ41F、PQ41M           
产品口径:DN15~DN100
产品压力:1.6MPa~4.0MPa
产品材质:WCB铸钢、不锈钢304
 
          
 
          产品口径:DN15~DN100
产品压力:1.6MPa~4.0MPa
产品材质:WCB铸钢、不锈钢304
           产品名称:一体式排污球阀 产品型号:PQ41F、PQ41M 公称通径:DN15~DN100结构形式:球形公称压力:1.6MPa~4.0MPa连接方式:法兰适用温度:-29ºC~+350&or          
 
         | 
 产品说明PQ41F、PQ41M一体式排污球阀是采用新型密封材料为阀座,采用新型密封材料为阀座,使用寿命提高了3-5倍。具有性能稳定、密封可靠、磨擦力小、开关轻便、耐高温、耐磨、耐油、耐腐蚀、使用寿命长等优点,“剑阀”牌高温球阀与截止阀、柱塞阀、排污阀,结构长度相符,扩大了球阀使用范围,广泛用于石油、化工、橡胶、造纸、制药等行业,可替代截止阀、柱塞阀、快速排污阀。适用介质:水、蒸汽、导热油等酸类,使用温度:≤350℃。结构特点1、优质的密封圈材料具有耐高温、耐腐蚀之性能。2、安装简便,能以任意方向安装于管道中的任意部位。 3、阀体内通道平整光滑,可以输送粘性流体、浆液以及固体颗粒。 4、一体式结构体积小、安装方便的特点,又具有国标法兰全通径不易泄漏的优点。 性能参数
 零部件材料
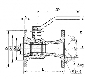
 外形结构图 主要外形尺寸
 结构特点及作用原理该型阀门中的球体、密封圈采用了特殊的加工工艺和最新密封材料,使球体表面粗糙度和圆度达到标准要求,从而提高了密封性能和使用寿命、耐高温的能力。顺时板动手柄带动阀杆驱动球体旋转,使介质顺利通过。 
 | |||||||||||||||||||||||||||||||||||||||||||||||||||||||||||||||||||||||||||||||||||||||||||||||||||||||||||||||||||||||||||||||||||||||||||||||||||||||||||











 关注官方微信
            关注官方微信