|
产品名称:Y43H先导活塞式减压阀
产品型号:Y43H
产品口径:DN15~DN500
产品压力:
产品材质:铸铁、铸钢、不锈钢
产品口径:DN15~DN500
产品压力:
产品材质:铸铁、铸钢、不锈钢
产品名称:先导活塞式减压阀 产品型号:Y43H 公称通径:DN15~DN500结构形式:活塞式、先导式工作压力:1.0MPa~6.4.0MPa~16.0MPa连接方式:法兰、螺纹适用温度:-20&or
产品说明Y43H先导活塞式减压阀本系列减压阀属于先导活塞式减压阀。由主阀和导阀两部分组成。主阀主要由阀座、主阀盘、活塞、弹簧等零件组成。导阀主要由阀座、阀瓣、膜片、弹簧、调节弹簧等零件组成。通过调节调节弹簧压力设定出口压力、利用膜片传感出口压力变化,通过导阀启闭驱动活塞调节主阀节流部位过流面积的大小,实现减压稳压功能。性能范围
减压阀流量系数(Cv)
主要零件材料
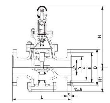
外形结构图![]() 外形尺寸(PN1.6-4.0)单位:mm
外形尺寸(PN6.4-16.0) 单位:mm
安装说明①为了操作和维护方便,该先导活塞式减压阀一般直立安装在水平管道上,横向安装须特别说明。②安装时应注意使管路中介质的流向与先导活塞式减压阀休上所示箭头的方向一致。 ③为了防止蒸汽后压力超压,应在离阀出口不少于4M处安装一个安全阀。
|
||||||||||||||||||||||||||||||||||||||||||||||||||||||||||||||||||||||||||||||||||||||||||||||||||||||||||||||||||||||||||||||||||||||||||||||||||||||||||||||||||||||||||||||||||||||||||||||||||||||||||||||||||||||||||||||||||||||||||||||||||||||||||||||||||||||||||||||||||||||||||||||||||||||||||||||||||||||||||||||||||||||||||||||||||||||||||


关注官方微信