|
产品名称:Y型截止阀
产品型号:J45H,J15Y/J65Y
产品口径:DN15-200
产品压力:150LB-2500LB
产品材质:WCB,锻钢,不锈钢等
产品口径:DN15-200
产品压力:150LB-2500LB
产品材质:WCB,锻钢,不锈钢等
Y型截止阀_锻钢(承插焊,自密封)Y型截止阀适用于公称压力150LB-2500LB,工作温度-29~550℃的石油、化工、制药、化肥、电力行业等各种工况的管道上面,切断或接通介质。适用介质为:水、油品...
Y型截止阀_锻钢(承插焊,自密封)Y型截止阀适用于公称压力150LB-2500LB,工作温度-29~550℃的石油、化工、制药、化肥、电力行业等各种工况的管道上面,切断或接通介质。适用介质为:水、油品、蒸汽、酸性介质等。操作方式有:手动,气动,电动。 技术要求1、阀门设计与制造按API 623-2013、JIS E101和NB/T 47044-2014等的规定; 实物图片
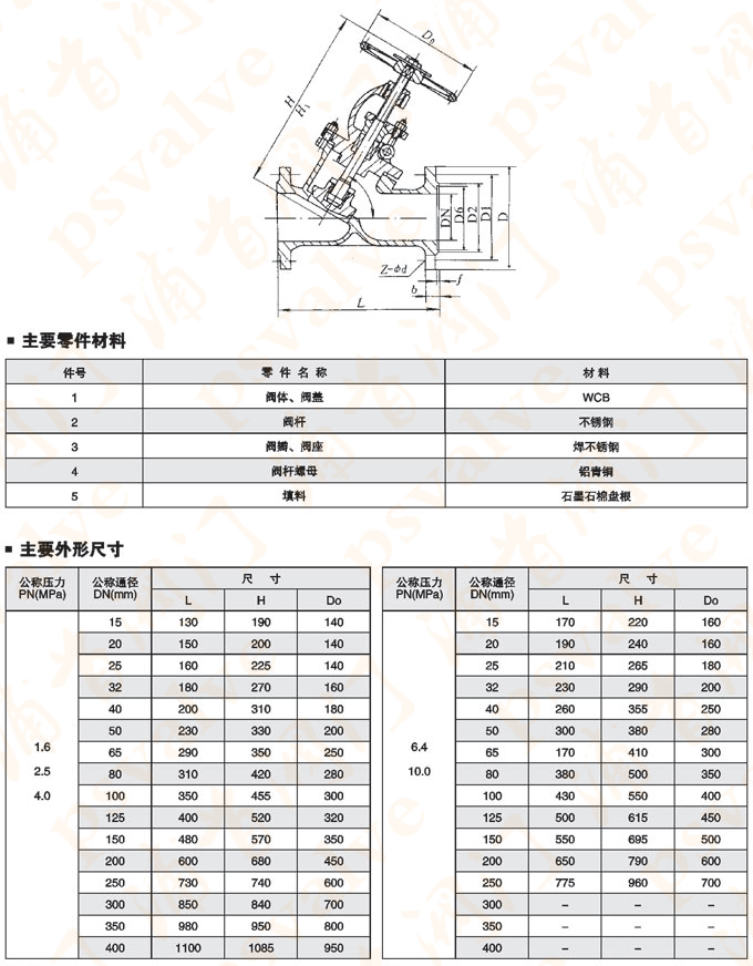
Y型截止阀主要材质零件
主要材质零件
Y型截止阀,锻钢承插焊Y型截止阀,锻钢自密封Y型截止阀参数尺寸图:
|
||||||||||||||||||||||||||||||||||||||||||||||||||||||||||||||||||||||||||||||||||||||||||||||||||||||||||||||||||||||||||||||||||||||||||||||||||||||||||||||||||||||||||||||||||||||||||||||||||||||

关注官方微信